79 CB750F M-Unit M-Button, Ricks R/R, Revival Cycles Starter Solenoid Wiring Diagram Help

cezzz

New Member
Hello

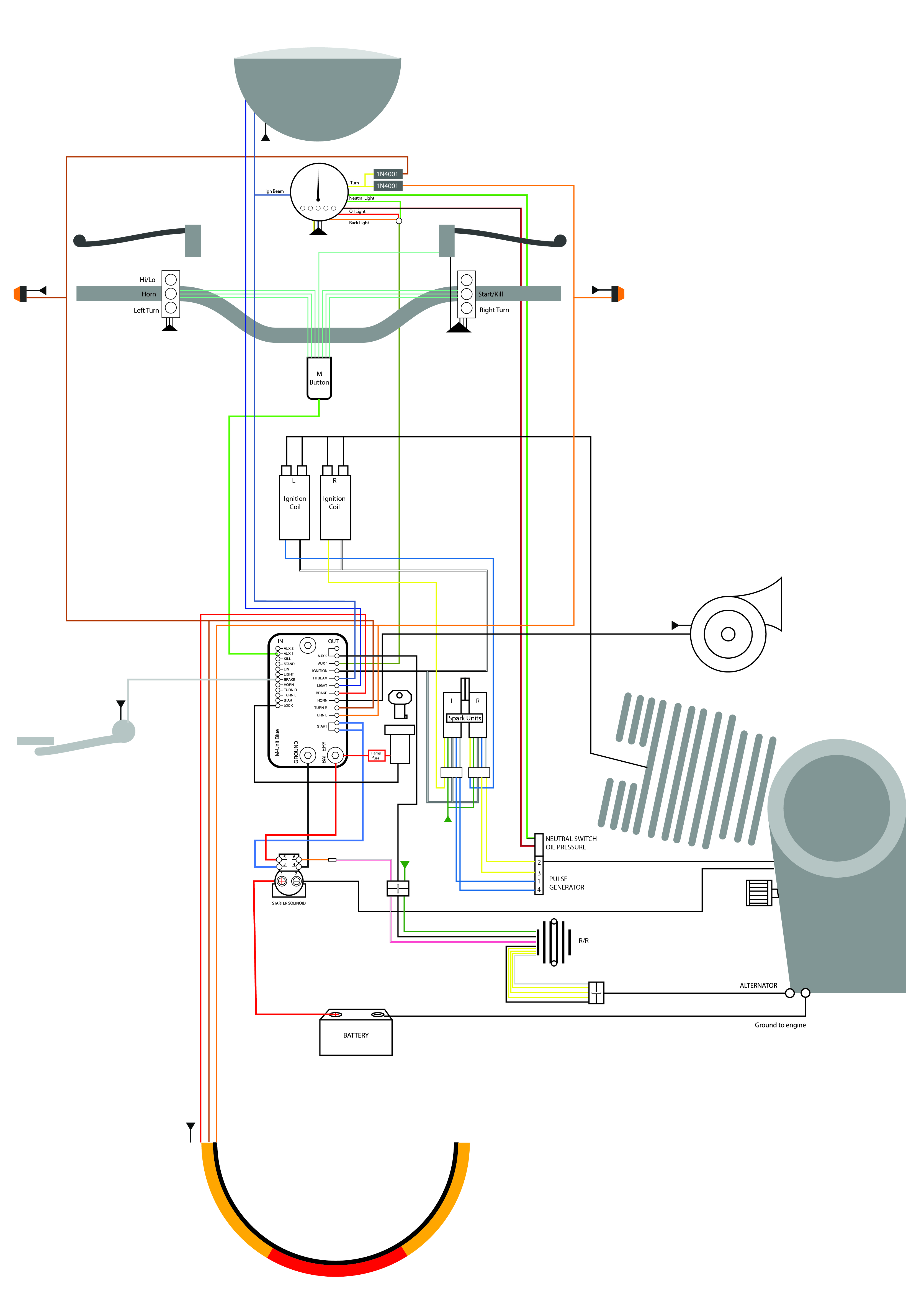
I am trying to create a wiring diagram for a 79 CB750 F Super Sport. This is what I was able to create from what I gathered online and am about to start the process. Can I get some input to see if this looks like it will work?
I am having trouble around Reg/Rec, CDI boxes, Starter Solinoid, M unit wiring part mostly.

I
 
Last edited:
Good start.

For the spark units (labeled CDI boxes, which isn't really accurate): You'll need green wires for ground. Additionally, the spark units are the same wire colors, so the yellow wire from both units is the wire that goes to the ignition coil. The blue wire and white wire on each unit are the ones that go to the ignition pickup.


For the R/R, it looks like you have the green wire going to the ignition switch, which is something you'll want to change. The green wire gets grounded. In addition to the black wire going to the alternator, there should also be a white wire. Finally, the spare black wire you currently have going to the solenoid should be going to the AUX output on the M-Unit. In the Honda world, black is power and green in ground.

Other than the issues surrounding the R/R, the solenoid looks good.
 
Oh... and you might want a running light.

Also, double-check the instructions, but I think the M-Unit goes to the KILL input, not the AUX.
 
i know its not useful but that gives me a headache

please change teh 12v plus wire that goes to each coil and to the spark igniters back to say black with white trace as it is stock then it will make a lot more sense or some different color to suit that shows 12v plus
 
Will do, working on updating this diagram, will have new one with colors referring to original wiring diagram soon.

Thanks for the tips so far.
 
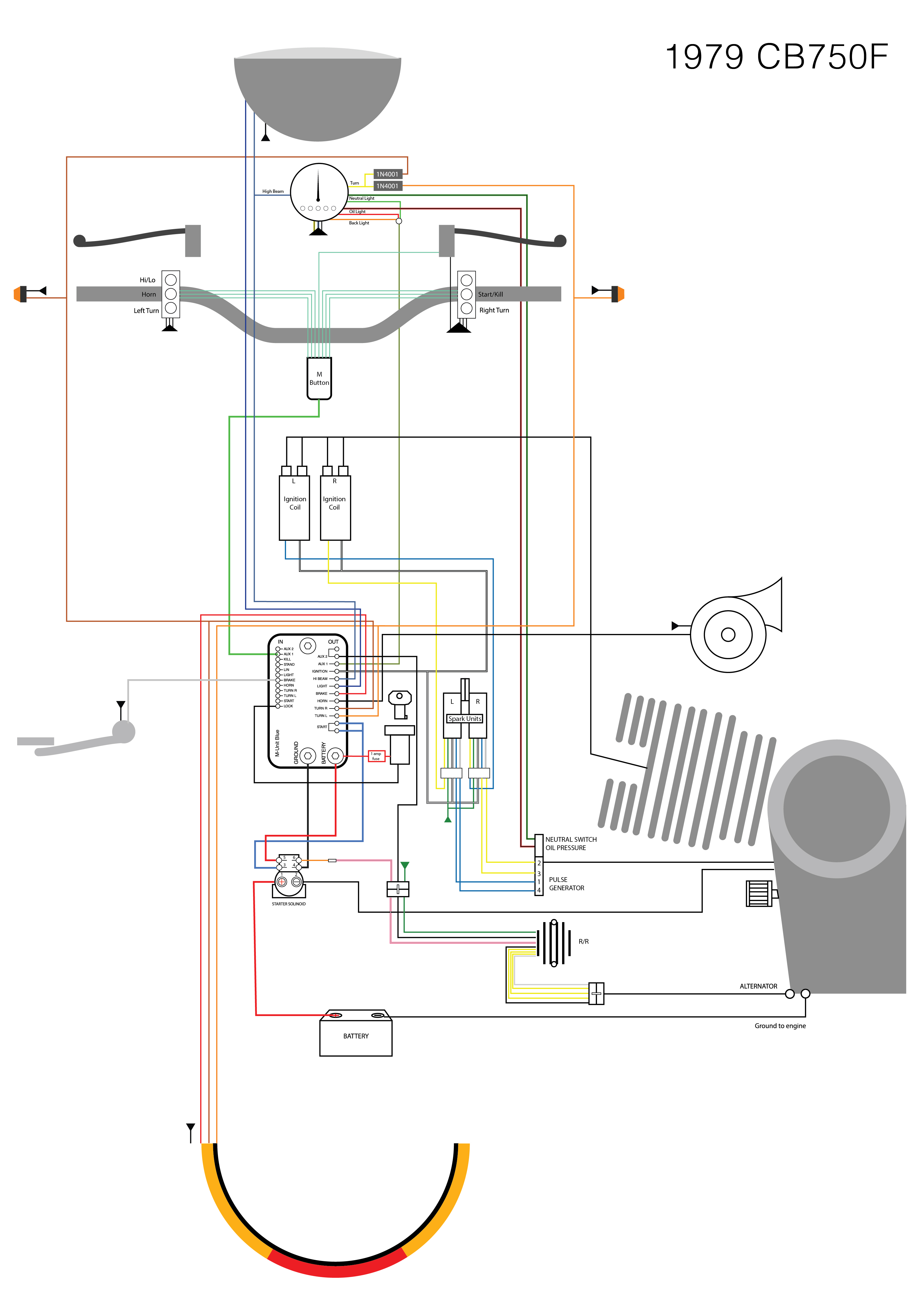
Here is an updated wiring diagram, I matched the colors better to the original diagram, I believe I am close. The one I am not fully sure of the Black and White wire coming out of the Spark unit? Does it merge with the black and white one coming from the coil to go into the ignition in the M-unit? I am basing it on what is going on in the original wiring diagram.
 

Attachments

  • CB750 Wiring M-Unit M Button V3-02.jpg
    CB750 Wiring M-Unit M Button V3-02.jpg
    2.2 MB · Views: 2,436
  • Wiring_Diagram_CB750F_79_Overlay-01.jpg
    Wiring_Diagram_CB750F_79_Overlay-01.jpg
    498.9 KB · Views: 2,422
The answer to your question about the black/white wire is "both". The black/white wire from the spark units and from the ignition coils is for power and the power comes from the ignition output on the M-Unit. How you currently have it in the diagram looks good to me.
 
Back
Top Bottom