CB550 Bobber-Junkyard Dog

Re: CB550 Bobber

JustinLonghorn said:
That shupe guy, don't trust him.
I've met him once in a weird roadside diner deep into meth country in Kentucky. The dude has shifty eyes for sure

Sent from my SM-G920V using Tapatalk
 
Re: CB550 Bobber

I don’t know what you guys are talking about, but I like the choppah


Sent from my iPhone using DO THE TON
 
Re: CB550 Bobber

Kiley photo shopped a couple of tanks onto the frame for me. One is a Lowbrow p-nut and the other is a mustang from (I think) TC Bros. I think something like one of these is the look I'm going for.
 

Attachments

  • 27591113_2203579852989288_1680644744_n.jpg
    27591113_2203579852989288_1680644744_n.jpg
    69.3 KB · Views: 902
  • 27604871_2203591216321485_1285009686_o.jpg
    27604871_2203591216321485_1285009686_o.jpg
    416.1 KB · Views: 536
Re: CB550 Bobber

Bars..... I ran a set of low drag bars on my chop for awhile and they look good but are pretty uncomfortable. I put on a set of 8" rise buckhorn style and I love them.

Something "like" these : https://www.lowbrowcustoms.com/biltwell-inc-zed-handlebars-7-8-inch-chrome.html would look good and be pretty comfortable to ride with. You have manly fab skills, you could probably make your own.
 
Re: CB550 Bobber

canyoncarver said:
Yeah, that Mustang tank is a nice shape on your bike.

I'm leaning in that direction. I think it looks good but also 3.3 gallons instead of 1.8. I like to go a little further than around the corner.
 
Re: CB550 Bobber

canyoncarver said:
Bars..... I ran a set of low drag bars on my chop for awhile and they look good but are pretty uncomfortable. I put on a set of 8" rise buckhorn style and I love them.

Something "like" these : https://www.lowbrowcustoms.com/biltwell-inc-zed-handlebars-7-8-inch-chrome.html would look good and be pretty comfortable to ride with. You have manly fab skills, you could probably make your own.

Something like that could work. I also like these https://www.thefactorymetalworks.com/products/1-inch-t140-style-stainless-steel-handlebars-for-all-custom-motorcycles
and these https://www.jpcycles.com/product/5000055/j-p-cycles-1-chrome-8-1-2-buckhorn-style-handlebar?utm_term=%5B507844792952%3A*%2520%2F%2520product%2520type%2520%3D%2520%22vehicles%2520%26%2520parts%22%2520%2F%2520product%2520type%2520%3D%2520%22land%2520vehicles%22%2520%2F%2520product%2520type%2520&siteid=NB_G_PLA&product_id=5000055&adpos=1o1&creative=42616780690&device=c&matchtype=&network=g&gclid=CjwKCAiAtdDTBRArEiwAPT4y-xHdDe_W7kCt67_wRlN5G2yiGZe5ADllpF_BtWGhrAWKuWfgdEwDlBoCdWMQAvD_BwE

I don't have access to a tube bender, I don't weld and I'm lazy so I'm probably not making my own.
 
Re: CB550 Bobber

john83 said:
Fair point. Not sure.

TC Bros, Lowbrow, Biltwell, all make lots of nice 7/8 bars 8" mini-apes, etc.. Seems like bars are one of the biggest sellers out there.
 
Re: CB550 Bobber

Not a whole lot more work going on yet. Work has been keeping me pretty busy. I did knock together a simple battery box today. The old timer at work taught me how to use the spot welder to make it. I'll take a little more work to fit on the frame. Working on buying a few things soon.
 

Attachments

  • 20180209_162826.jpg
    20180209_162826.jpg
    523 KB · Views: 515
Re: CB550 Bobber

I had high hopes for getting out to the garage and getting stuff done this weekend but I've come down with some manner of sinus infection. I guess I'll sit inside and wait for death.
 
Re: CB550 Bobber

It's slower going than I wanted but I swear I'm still working at it. I picked up this tank today for cheap. Not sure if it's exactly what I want but it may be what I use for now. The red paint is just what was on it, it's not staying of course. One day this week basic wiring is going to get started.
 

Attachments

  • 20180226_172128.jpg
    20180226_172128.jpg
    2.1 MB · Views: 530
Re: CB550 Bobber

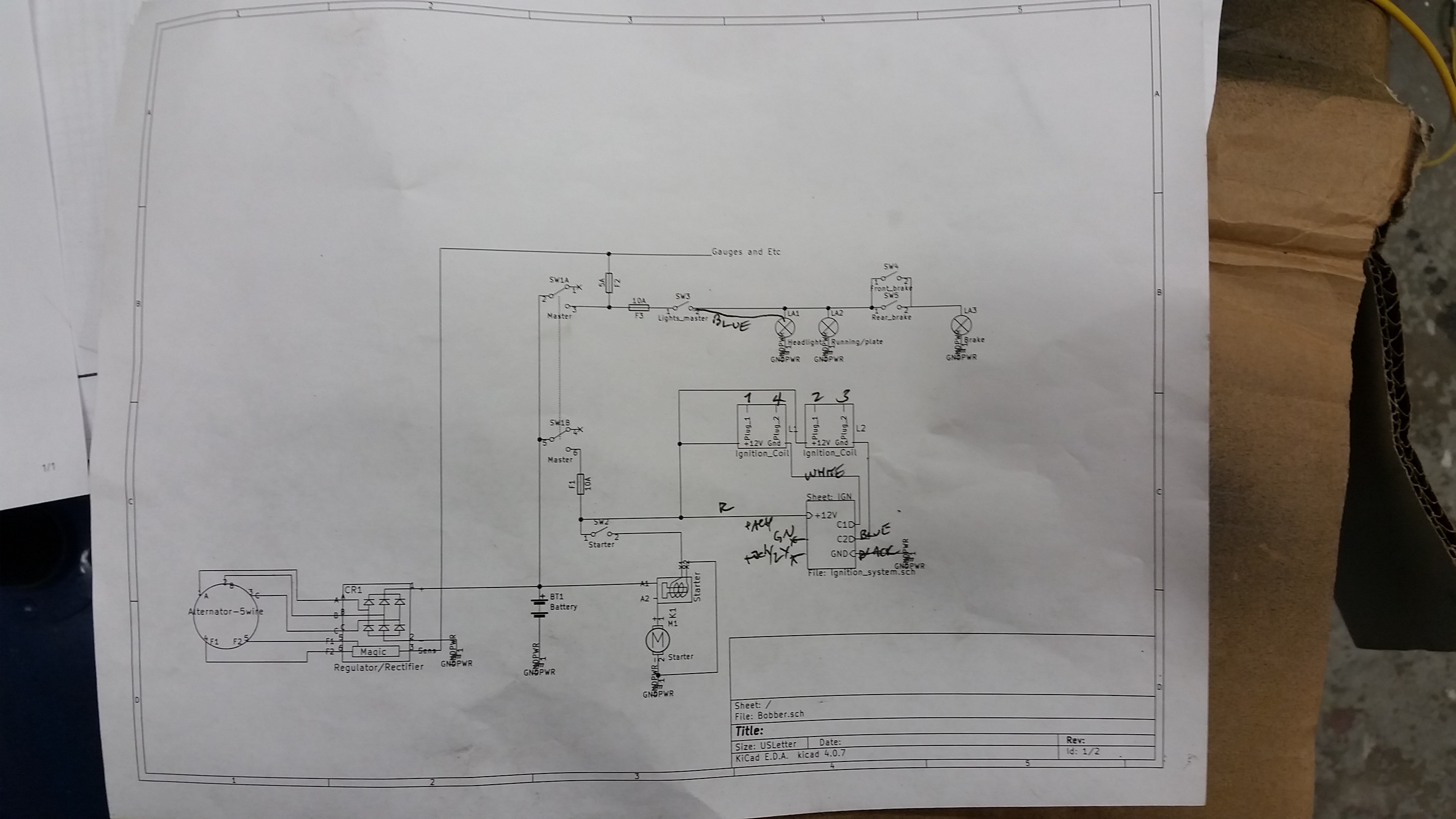
Been working on some wiring. I took the bike over to work so my more electrically minded co-worker could help me. I get much more accomplished when I have someone to work with and bounce ideas off of. I gave Matt an idea of what I wanted the electrical system to be and he came back the next day with a real diagram print. So, we got some a decent start and even some old aircraft switches to use.
 

Attachments

  • 20180302_173507.jpg
    20180302_173507.jpg
    1.3 MB · Views: 504
  • 20180302_173521.jpg
    20180302_173521.jpg
    1.6 MB · Views: 519
Re: CB550 Bobber

I'm the one that originally built that bike. So if you have any questions about any of it hit me up. I originally built it with 2 gas tanks one mounted up top traditionally (which I still have on a shelf in the shop painted to match with the same number 5 on the side) and the other under the seat. I was going to race it cross country in the Stampede. I also had a jockey shift on it with a foot clutch, but the guy that bought it from me wanted it converted back to a traditional hand clutch foot shifter. The rear fender is a modified cb750 fender and if I remember correctly the front end came off a cm400, but I could be wrong as I usually have about 6 or 7 honda front ends floating around at any given time. The vacuum pump came of a stash of several I had on hand that were used for racing go carts. It took me a lot of trial and error to figure out that I needed to put a regulator on the thing to keep it from over filling the float bowls. Turns out the magic number is between 2 and 3 lbs of pressure, but I was always adjusting that. I covered that seat with leather off an old pair of riding chaps a friend gave me. If you take the leather off it has a sparkly vynl seat under there. I actually still have some of the paint I used to paint it left over if you want to touch it up. Looks like they scarred it up pretty good taking the motor out. I also have about 200 pictures of the build if you are interested in seeing its progress when I first decided to build it. I currently live in Lexington SC and I sold it to a young kid that lives in Columbia. If you happen to live close by hit me up. I always have at least 2 builds going on in my back yard at any given time. Currently its a honda cl450, and a 1965 Bridgestone on the bike lifts.
 
Re: CB550 Bobber

I originally had the battery covered with a leather bag. Looked good and was super easy to do. This picture was taken at a night club in Charlotte called The Chop Shop. I had a couple of bikes on display there while I was working on other things.
 

Attachments

  • batterybag.PNG
    batterybag.PNG
    1.9 MB · Views: 542
Back
Top Bottom