Redliner
Over 1,000 Posts
I've seen many attempts to hide ignitions and they go one of two ways.
1. Doy, I'm going to put the switch under the seat.
I'm not sure what anybody is trying to accomplish with this approach other than making it difficult and awkward to aim a key into the slot blindly. Clean look? You could accomplish that and put it in sight, I'm sure.
2. I'm is so smart, I'm going to hide a toggle switch where nobody will find it and there will be no key at all!
Great, so if a crook who knows anything about the cafe "scene" stumbles upon a "nice" bike with no sign of an ignition switch, they know to feel under the tank, flip the switch, and be on their way. God forbid you have a scorned ex that knows your secret...
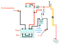
So I combine the best of the ole faithful key ignition, with the convenience of keyless.
I'm basing this design off of many Honda switches which have three positions:
1. Off-nothing works
2. Run-circuit from battery is closed
3. Park-key can be removed. Circuit to tail light is closed, draining your battery for no real practical purpose
Keeping in mind that my bike is kick-start only, my switch will be used as such:
1. Off-nothing works
2. Run-circuit from battery is closed
3. Park-key can be removed. Circuit from battery is closed only while pressing a hidden momentary switch
So I would typically use it in my every day ride. I get home and park the bike in back. I leave it in "Park". When I take it out the next morning, I don't need to dig out my key, but it does come along to allow me to switch positions should I choose. So just leave it tucked away, hop on, hold the hidden button while kick-starting.
Drive to the corner store, hit the kill switch and the bike is secure via obscurity. Return to it and start her up right away.
Now stop at work, I suppose, and pull the key out to place the ignition in off, lock the wheel, or both. Even if your ex knows where you work, she'll be foiled by the ignition switch.
Before the ride home, flip the ignition to Park, remove the key, then don't worry about digging it out again until many more miles.
When holding the momentary switch, you're closing a circuit to the coils from the battery. Once you kick the bike and it starts, the generator supplies power to a relay, which closes a circuit to the main hot from the battery, thus when you let go of the button the generator continues to maintain a closed relay
I unno, I'm pretty new to electronics. Thoughts?
1. Doy, I'm going to put the switch under the seat.
I'm not sure what anybody is trying to accomplish with this approach other than making it difficult and awkward to aim a key into the slot blindly. Clean look? You could accomplish that and put it in sight, I'm sure.
2. I'm is so smart, I'm going to hide a toggle switch where nobody will find it and there will be no key at all!
Great, so if a crook who knows anything about the cafe "scene" stumbles upon a "nice" bike with no sign of an ignition switch, they know to feel under the tank, flip the switch, and be on their way. God forbid you have a scorned ex that knows your secret...
So I combine the best of the ole faithful key ignition, with the convenience of keyless.
I'm basing this design off of many Honda switches which have three positions:
1. Off-nothing works
2. Run-circuit from battery is closed
3. Park-key can be removed. Circuit to tail light is closed, draining your battery for no real practical purpose
Keeping in mind that my bike is kick-start only, my switch will be used as such:
1. Off-nothing works
2. Run-circuit from battery is closed
3. Park-key can be removed. Circuit from battery is closed only while pressing a hidden momentary switch
So I would typically use it in my every day ride. I get home and park the bike in back. I leave it in "Park". When I take it out the next morning, I don't need to dig out my key, but it does come along to allow me to switch positions should I choose. So just leave it tucked away, hop on, hold the hidden button while kick-starting.
Drive to the corner store, hit the kill switch and the bike is secure via obscurity. Return to it and start her up right away.
Now stop at work, I suppose, and pull the key out to place the ignition in off, lock the wheel, or both. Even if your ex knows where you work, she'll be foiled by the ignition switch.
Before the ride home, flip the ignition to Park, remove the key, then don't worry about digging it out again until many more miles.
When holding the momentary switch, you're closing a circuit to the coils from the battery. Once you kick the bike and it starts, the generator supplies power to a relay, which closes a circuit to the main hot from the battery, thus when you let go of the button the generator continues to maintain a closed relay
I unno, I'm pretty new to electronics. Thoughts?